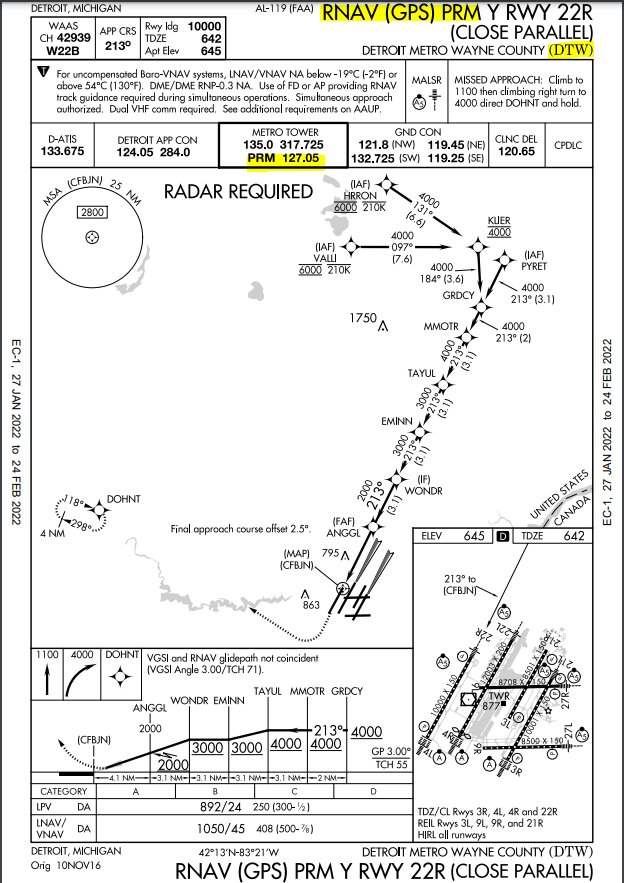
- SFO 접근 영상을 보면 항공기 두 대가 나란히 착륙하는 경우가 있다. 단순히 parallel landing인가보다 했는데 이를 위한 절차가 (당연히) 마련되어 있다.

- 우선 평행한 두 활주로 간격이 4300피트 미만이어야 함. 그리고 그 사이에 진입금지구역인 NTZ(No Transgression Zone)를 설정. NTZ를 침범하지 않으며, 두 개의 활주로에 항공기 두 대가 동시에 착륙할 수 있게 한 절차가 PRM approach.


- ILS와 연동되어 있다면 차트에는 ILS PRM으로 표기하며 동시에 두 항공기가 근접하여 직진입 접근하니 simultaneous close PRM approach라고 부른다. PRM 주파수가 따로 있는게 특징. 하나의 VHF는 타워 주파수, 나머지 하나는 PRM 주파수에 맞춘다.

- 동시 접근 중 위험한 상황이 생기면 타워 관제사가 조종사에게 breakout 지시를 하는데 타워 주파수가 붐벼 제대로 전달되지 않을 수 있다. 그 때 PRM 관제사가 바로 송신을 하도록 되어있다. 유사시 조종사가 breakout 지시를 놓치지 않게끔 하기 위한 장치로 보인다.
- ILS와 연동한 직진입 절차가 불가능한 경우, RNAV/LDA PRM도 가능하다. 조종사가 동시 접근하는 항공기를 육안으로 확인하는 과정 등이 반드시 필요하다. 이 경우엔 SOIA(Simultaneous Offset Instrument Approach)라고 함.

- PRM을 운영하려면 PRM 관제사도 따로 있어야 하고, 항공사도 인가를 받아야 하고 조종사도 교육을 이수해야 한다. 다소 특수한 절차가 다 그렇듯?
- 자문 : 우리 나라엔 없나?
- 자답 : 인천 찾아보니 없는 듯. 굳이 필요 없어서 그런건지 이유는 모르겠다. 인천에 없으면 다른 국내 공항도 없을거 뻔함.
- PRM 정리 이유 : 회사 FOM에 있길래
- 참고
https://www.law.go.kr/LSW/admRulInfoP.do?admRulSeq=2000000023821
국가법령정보센터 | 행정규칙 > 본문
www.law.go.kr
https://www.faa.gov/training_testing/training/prm/media/PRM_training.pdf
https://www.boldmethod.com/learn-to-fly/navigation/how-to-fly-a-prm-approach/
How To Fly a PRM Approach
PRM approaches allow you to descend through the clouds just a few hundred feet away from other aircraft landing on parallel runways. Here's what you should know before flying your next, or first, PRM approach.
www.boldmethod.com
'항공 일반' 카테고리의 다른 글
| GPWS (0) | 2022.04.06 |
|---|---|
| PCN ACN (0) | 2022.02.27 |
| 항공기 towing 종류 (0) | 2022.02.15 |
| 다양한 항공기 부호(코드) (0) | 2022.02.14 |
| NADP (0) | 2022.02.04 |